
我司(江苏勃曼工业控制技术有限)是一家专业的NSK一级代理经销商,致力于销售、维修和加工NSK品牌的产品。作为NSK的授权代理商,我们提供广泛的NSK产品,包括滚珠丝杠、直线导轨、模组、DD马达、精密轴承、自动化设备以及相关配件等。


我司有着近7000平的NSK产品的仓储,能满足您的急需要求。我司同时还做产品加工维修服务,期待您咨询,我们竭诚为您服务。
桐城非标滚珠丝杠升降机是一种用于垂直升降物品的设备,通常用于工业生产或仓储物流场所。它是由电机、传动装置、滚珠丝杠、导向装置、控制系统等部分组成的。其主要特点是稳定性好、升降速度快、噪音小、操作简单等。桐城非标滚珠丝杠升降机的外观通常为铁结构,支撑柱为方管或圆管,平台为钢板或钢格板,其大小和载重能力可以根据客户需求进行定制。滚珠丝杠升降机的控制系统通常采用PLC控制器,可以实现自动升降、定位、停止等功能,也可以根据客户需求进行定制。滚珠丝杠升降机广泛应用于工厂、仓库、超市、邮局等各种场所,主要用于货物的升降、装卸、堆放等作业。除此之外,滚珠丝杠升降机还可以用于电梯替代品,如货物电梯、车辆升降平台等。
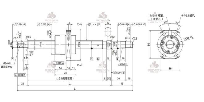
滚珠丝杠GQ和FL是两种不同规格的滚珠丝杠产品。GQ是直径为20mm的轴径,FL是直径为16mm的轴径。它们都是用于传输力和运动的机械元件,通常用于机械设备的传动系统中。
岗位职责:1.负责数控车加工滚珠丝杠的操作和加工,按照生产计划进行生产。2.对于加工过程中出现的问题,及时进行处理和解决,保证生产进度和质量。3.按照公司的生产标准和要求,进行加工和检验,确保产品质量,达到客户的要求。4.负责设备的维护保养和日常清洁,保证设备的正常运转和使用寿命。5.参与生产过程中的改进和优化,提高生产效率和产品质量。任职要求:1.熟悉数控车加工滚珠丝杠的操作和加工流程,具有相关工作经验者优先。2.熟悉相关的加工工具和设备,能够独立完成加工和检验工作。3.具有较强的责任心和团队合作精神,能够积极配合其他部门的工作。4.能够熟练阅读机械图纸和相关技术文件,具有良好的沟通和协调能力。5.具有高中或以上学历,机械加工等相关专业优先。6.薪资待遇面议,提供完善的福利待遇和良好的工作环境。
特别声明:以上内容(如有图片或视频亦包括在内)为自媒体平台“网易号”用户上传并发布,本平台仅提供信息存储服务。
科技行业的笑话:全球第一PC联想公司,市值只有系统供应商微软的1/153
江苏勃曼工业是一家集代理销售、精密加工、售后维修、技术服务于一体的综合型企业。
无畏契约VCTCN联赛第一赛段W1:WOL惨遭两连败,欧米伽组四队首胜
排队3小时,拒签1分钟,80%的留学生都不知道的面签大坑竟然是......