
破碎机是非金属矿物粉体行业必备粉碎设备之一。各类非矿矿石首先要经过破碎机破碎到合适的粒度范围,才能进入粉磨设备进一步的粉碎成细粉,超细粉。不同种类矿石,由于其物理特性不同,下一级粉磨设备的特性需求不同,前一级的破碎需求也不一样。要想正确选择合适的破碎设备,就必须了解各类破碎设备的优缺点。本文将向大家介绍
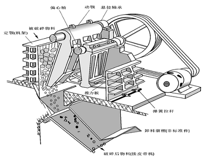
颚式破碎机的工作原理:电动机通过皮带使偏心轴旋转时,垂直连杆即向上向下运动,当垂直连杆向上时,带动两块肘板逐渐伸平,肘板迫使可动颚板向固定颚板推进,破碎腔(即由固定颚板和动颚组成的空间)中的矿石受到挤压、劈裂、折屈作用而破碎。

优点:1、结构紧凑、简单。容易操作,维修更加方便,停机维修时间大大缩短。2、性能稳定。颚式破碎机可以保持在高强度的压力下进行作业,耐久性及可靠性都非比寻常,这是颚式破碎机优势突出的一大支撑点。3、垫片式排料口调整装置,可靠方便,调节范围大,增加了设备的灵活性。4、破碎比大。颚式破碎机最突出的优势是极高的破碎比,破碎腔深而且无死区,提高了进料能力与产量,提高了破碎性能,且产品粒度均匀。
缺点:工作间歇性,有空转行程,增加了非生产性的功率消耗。破碎粘湿的物料时,生产能力下降,会发生堵塞现象。破碎干片状物料时,粉碎度不大,易造成出料溜子或下级破碎机进料口堵塞。
工作原理:动锥沿着定锥的内表面作偏旋运动。物料受到动锥挤压和弯曲作用而破碎。已破碎的物料由重力作用就从锥底落下。破碎过程和卸料过程沿着定锥的内表面连续依次进行。在破碎物料时,动锥在绕O、O1作偏旋运动的同时还作方向相反的自转运动。可促使产品粒度更加均匀,并使动锥表面的磨损亦均匀。圆锥破碎机的工作过程是连续进行的,物料夹在两个锥面之间同时受到弯曲力和剪切力的作用而破碎,故破碎较易进行。

优点:1、破碎过程是沿着圆环形的破碎腔连续进行的,破碎比大,生产能力较大,单位电耗较低,工作较平稳;2、出料口不易堵塞,适于破碎片状物料,破碎产品的粒度比较均匀。产品粒度组成中超出出料口宽度的物料粒度较颚式破碎机为小,数量也少些。3、加料口的任何一边都可以加料,料块可以直接从运输工具倒入进料口,无需设置喂料机。4、圆锥破碎机功效高,动力消耗低缺点:1、结构复杂,价格较高;2、易磨件多,重要磨损件不易检修;检修比较困难,修理费用较高;3、机身较高,使厂房、基础构筑物的费用增加。4、操作维护技术要求高
反击式破碎机能处理粒度不大于120-500毫米、抗压强度不超过320兆帕的各种粗、中、细物料矿石、岩石(花岗岩、石灰石、混凝土等),广泛用于水电、高速公路、人工砂石料、破碎等行业。
反击式破碎机工作原理:反击式破碎机是一种利用冲击能来破碎物料的破碎机械。工作时,在电动机的带动下,转子高速旋转,物料进入板锤作用区时,与转子上的板锤撞击破碎,后又被抛向反击装置上再次破碎,然后又从反击衬板上弹回到板锤作用区重新破碎,此过程重复进行,物料由大到小进入一、二、三、反击腔重复进行破碎,直到物料被破碎至所需粒度,由出料口排出。调整反击架与转子之间的间隙可达到改变物料出料粒度和物料形状的目的。

优点1、反击板与板锤间隙能方便调节,可以方便灵活调节出料粒度,调节范围广。有效控制出料粒度,颗粒形状好;2、破碎功能全、生产率高、机件磨耗小、综合效益高;3、构造简单、体积小、重量轻、生产能力大、生产成本低。备件更换简便、维护费用相应减少。4、进料口大、破碎腔高、适应物料硬度高;破碎比大,可达40,因此可以简化破碎流程。缺点:1、板锤和反击板磨损较快,更换较频繁,尤其在破碎坚硬物料时,磨损更快。2、工作时噪声大、粉尘大,产品中有过大块。对含水、含泥的物料适应性差。在南方雨季易堵塞,堵塞后清除极为困难。
辊式破碎机分为:对辊式破碎机,四辊式破碎机,齿辊式破碎机,这是按照规格来划分的。出料粒度的调节:两辊轮之间装有楔形或垫片调节装置,楔形装置的顶端装有调整螺栓,当调整螺栓将楔块向上拉起时,楔块将活动辊轮顶离固定轮,即两辊轮间隙变大,出料粒度变大,当楔块向下时,活动辊轮在压紧弹簧的作用下两轮间隙变小,出料粒度变小。垫片装置是通过增减垫片的数量或厚薄来调节出料粒度大小的,当增加垫片时两辊轮间隙变大,当减少垫片时两辊轮间隙变小,出料粒度变小。辊式破碎机适于处理脆性物料及含泥土黏性物料的小型选厂(如钨矿),作为中细碎之用。

优点:1、结构紧凑,重量轻,占地空间小。2、使用寿命长,不易损坏,方便维修。3、粉尘少,工作噪声低,工作环境得到改善。4、产品的粒度细,可破碎到3.0mm以下。缺点:1、对辊式破碎机的表面容易磨损,常常被磨出凹槽,使两辊之间的空隙变大,降低了机器的破碎效果。2、对于硬度大的原料对辊式破碎机不能够破碎。例如:页岩或煤矸石等硬度大的原料。3、破碎效果不好,片状的物料会从对辊式破碎机两辊之间的缝隙中“漏”出,降低了破碎效果。4、破碎比比较小,产品粒度随辊子的间隙磨损而变化,对薄片状结构的物料破碎效果较差。


版权所有,未经书面授权,所有页面内容不得以任何形式进行复制。客服 粉体技术讨论群:178334603
粉体圈专注为粉碎设备、粉体设备等厂家提供粉体技术、粉体会议等信息及粉体相关产品展示和交流平台。